لینک سریع
تماس سریع
آدرس
اتاق 1920 ، ساختمان 3 ، مرکز قرن تعالی ، منطقه Shibei ، چینگدائو ، شاندونگ ، چین
تلفن:
86-133-7148-2686
خبرنامه ما
برای دریافت تخفیف ها و موارد دیگر، به خبرنامه ما ثبت نام کنید.
معرفی کیسه هوای لاستیکی فرود هواپیمای بالابر قایق کیسه های هوای لاستیکی فرود کشتیکیسه های هوای دریایی ، کیسه های هوای متصل ، بالن های پرتاب کننده کشتی ، کیسه های هوای ماری ، در حال حاضر به یکی از روش های مناسب راه اندازی کشتی در برخی از کارخانه های کشتی سازی تبدیل شده اند ، به ویژه در مکان هایی که س...
کیسه های هوای لاستیکی فرود کشتیکیسه های هوای دریایی ، کیسه های هوای متصل ، بالن های پرتاب کننده کشتی ، کیسه های هوای ماری ، در حال حاضر به یکی از روش های مناسب راه اندازی کشتی در برخی از کارخانه های کشتی سازی تبدیل شده اند ، به ویژه در مکان هایی که سرسره در دسترس نیست.
Qingdao Florescence اولین شرکتی است که کیسه های هوا را برای پرتاب کشتی در چین از سال 1992 آغاز کرد. طی 20 سال توسعه و تجربه در تولید کیسه هوا و پرتاب کشتی ، کیسه های هوای پرتاب کشتی ما تبدیل به
1) لایه لاستیکی بیرونی
لایه لاستیکی بیرونی که قسمت بیرونی کیسه هوای دریایی را می پوشاند تا از لایه ها در برابر سایش و سایر نیروهای خارجی محافظت کند.این ترکیب دارای استحکام کششی و پارگی کافی برای تحمل هرگونه شرایط و استفاده سخت است.
2) لایه لاستیکی داخلی
لایه لاستیکی داخلی باعث بسته شدن هوای تحت فشار در داخل کیسه های هوای دریایی می شود.
3) لایه مصنوعی-تایر-بند ناف به عنوان تقویت کننده
لایه های طناب تقویتی ، که از سیم-تایر مصنوعی که معمولاً در لاستیک ها استفاده می شود ، ساخته شده اند ، در زوایای ایده آل چیده شده اند تا فشار داخلی را حفظ کرده و تنش را به طور یکنواخت توزیع کنند.بنابراین آنها می توانند تقویت کارآمد قوی را ارائه دهند.
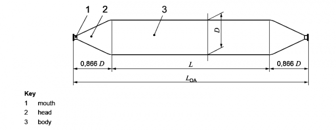
- قطر داخلی استوانه - کیسه 800 تا 2800 میلی متر ؛
- طول قسمت استوانه ای ، 5000 تا 24000 میلی متر ؛
- حداکثر فشار کاری در کیسه ، 0.4 تا 4 کیلوگرم / سانتی متر مربع ؛
- حداکثر ظرفیت حمل کیف ، 6 تا 800 تن ؛
- تعداد لایه های طناب 3 تا 14 عدد ؛
- محدوده دمای کار از -10 تا + 60 درجه سانتی گراد.
| قطر | طول موثر | لایه هایی با بند ناف | فشار کاری | ارتفاع بالابری | تن/کیسه هوا |
| 1.2 متر | 10 متر | 6 | 0.17 مگاپاسکال | 0.9 متر | 78.51 تن |
| 1.5 متر | 12 متر | 8 | 0.18 مگاپاسکال | 1.2 متر | 100.50 تن |
| 1.8 متر | 15 متر | 8 | 0.15 مگاپاسکال | 1.5 متر | 104.69 تن |
| 2.0 متر | 18 متر | 10 | 0.17 مگاپاسکال | 1.5 متر | 235.54 تن |
| 2.5 متر | 18 متر | 12 | 0.16 مگاپاسکال | 2.0 متر | 226.12 تن |

بسته بندی و تحویل
روش بسته بندی که معمولاً استفاده می کنیم: بسته بندی جعبه چوبی!بسته بندی پالت!برهنه!
برای محصولات بزرگ ، ما معمولا آنها را تخلیه و بسته بندی می کنیم!برای محصولات کوچکتر ، برخی از مشتریان از ما می خواهند که باد کرده و حمل کنیم
ما معمولاً از حمل و نقل هوایی ، ریلی و دریایی استفاده می کنیم!

بعد از سرویس
1. ارزش پول ، شما بهترین قیمت را بر اساس کیفیت عالی دریافت خواهید کرد.
2. تخصص بی نظیر ، ما قول کیفیت و خدمات محصول درجه یک را می دهیم.
3. طول عمر محصول خوب و ضمانت کیفیت ، محصولات ما دارای عمر طولانی برای 10-15 سال است.
4. خدمات پس از فروش حرفه ای.ما به مشتریان خود کمک می کنیم تا سوالات هر محصول را در عرض 24 ساعت حل کنند.
5. برای مشتریان خود ، مجموعه ای از ابزارهای تعمیر را به صورت رایگان ارائه می دهیم.